Компактный противоток, маломощный - для небольших бассейнов.
Во всех типах плавательных бассейнов в качестве встраиваемого водного аттракциона.
Используются для занятий подводным фитнесом, как установки волнообразования или образования воздушно-пузырьковой смеси, а также для подводного массажа (по рекомендации врачей) и плавания на месте без разворотов (в том числе в маленьких бассейнах).
Противоток Speck Badu Jet Smart - предназначен для создания искусственного течения.
Подходит для любых типов бассейнов. Необходимо заранее проектировать установку проитвотока. Монтаж должен производиться до заполнения бассейна водой.
Корпус и лицевая панель изготовлен из высококачественного пластика ABS. Закладная ниша расчитана для установки в стенки бассейна из бетона, стали, нержавеющей стали и полипропилена.
На лицевой части находятся: регулятор потока, кнопка выключения насоса противотока. Предусмотрено подключение гидромассжаного шланга или пульсатора.
Принцип действия противотока Speck Badu Jet Smart
Вода через щелевые зазоры, находящиеся по кругу лицевой панели закладного узла попадает в насос противотока.
Далее вода под напором поступает в поворотное сопло, где происходит смешивание с воздухом (при желании). Регулировкой количества воздуха влияет на интенсивность потока.
Направления потока регулируется вручную на 60° (в любую сторону).
Таким образом вода поступает в бассейн пузырящимся потоком и создает течение в верхнем слое воды.
Пневматическая кнопка включения и выключения противотока для бассейна находится на лицевой панели закладного узла.
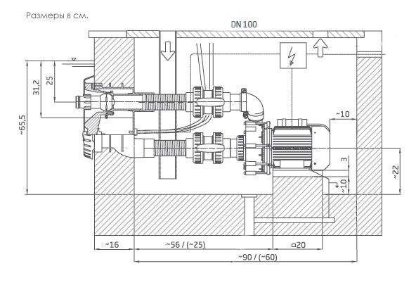
Комплект противотока:
закладная ниша ABS (комплект);
насосный комплект 21-50/44 GT 27° с трубопроводной арматурой (без кранов);
пневмоуправление;
лицевая панель из пластика белого цвета.


Video YouTube
Доставка
Оплата
Гарантия Полезная информация в строительстве, проектировании и обслуживании бассейнов
| Всего товаров | 0 шт |
| Сумма | 0 руб |
| К оплате: | 0 руб |